春亨产品中心
- 按产品特性分类
- 水平仪 偏心仪 角度计 直角尺 同心度仪 高速主轴 内外测卡规 打磨机 钻石膏 各种量表 磨刀石 研磨油石 切削刀具 研磨刷 研磨工具 磁性工具 放大镜 内视镜 卡尺 千分尺 圆周尺 扭力工具 针规 间隙规 速度测试 高度尺/计 测量工具 硬度计 段差尺 焊道规 V型座 磁性吸盘 推拉力计 吊重磁盘 工业胶粘剂 研磨抛光 钳类工具 旋具工具 热敏试纸 粘度计 电子称 金属锉刀 复制胶膜 螺帽规 背孔刀 气动主轴 自动换刀主轴 防静电主轴 MSIY电主轴 高精密主轴 大扭矩电主轴 高斯计 直角电主轴 进口百分表 扭力起子 中村扭力扳手 脱磁器 螺纹深度规 主轴增速刀柄 RBZ浮动主轴 中心出水电主轴 气浮主轴 螺纹规
- 按应用领域分类
- 工程机械 数控机床 汽车制造 电子/光电 橡胶皮革检测 船舶制造 实验室/研究院 纺织业 精加工 雕刻 珠宝首饰 陶瓷工业 抛光去毛刺 PCB分板机加工 铣削加工 钻孔动力头 医疗加工 走心机高频铣 浮动去毛刺 小径深孔加工
- 按品牌分类
- AAA ASKER B2 BOWERS CITIZEN DMT FUJITOOL FISSO FUJIGEN HONDA GLOI HEINE KANETEC IMADA KANON KAYDIAMOND KROEPLIN MEYER MARUI MITUTOYO NAKANISHI PEACOCK PEAK PHOENIX PI-TAPE RSK RHEINTACHO SK SPI SUN SUPERTECH SWAN UNIVERSAL NOVAPAX XEBEC WIXEY Teclock tohnichi 富士KOSOKU RUBICON KEIBA TAJIMA NIKON Stanley SPI Engeering MARKAL PTC TMC THERMAX RION SHINKO STAO佐藤 TSUBOSAN OSKAR SCHWENK MARK-10 Microset starrett EENPAIX OJIYAS DIGITECH ROECKLE tites swiss Yamato Cherry DAIWA RABIN MSIY NRS PPS NSK
相关资讯
- 日本NAKANISHI高精密主轴BM-320F在小型数控车床的铣削应用
- 如何选择合适的日本NSK打磨机磨头型号?
- 铝合金钻孔用高速电主轴NR-3060S,性价比高
- nakanishi中西气动超高速研磨雕刻机套装PR2-304S
- 您应该知道的现代模具抛光专用打磨机
- 医疗产品加工,怎么能少的了NSK高频铣
- 日本NSK高速主轴EM25-5000-J4和EM25N-5000-J4的区别
- 一寸长一寸强——日本RSK水平仪
- 高精密机床气泡水平仪,选择RSK磁性水平仪
- 聚集全球精密计测工具 满足企业需求
- 机器人汽车缸盖去毛刺,用nakanishi自动换刀电主轴
- NAKANISHI高速主轴购买须知
- 日本强力高斯计tm-801exp标准磁场有多少MT?
- RSK水平仪气泡管的调整方法
- 直径最小的微型电主轴尺寸是多少?
- 德国Kroeplin精密进口卡规
- 精密厚薄表的分类
- 铸钢斜孔倒角去毛刺,机械臂加装MSIY电主轴+背孔刀
- 德国kroeplin卡规使用说明书
- 春亨工具2018年春节放假通知
产品详情
联系我们
日本强力kanetec圆形永磁吸盘RMC-X15

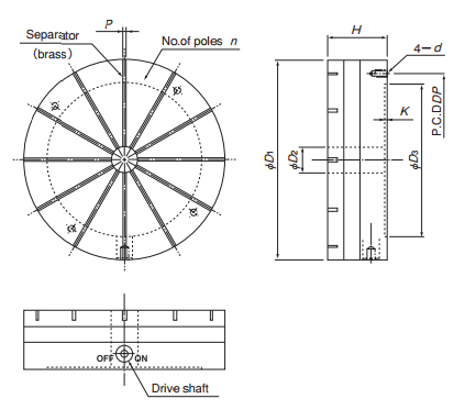
日本强力kanetec圆形永磁吸盘RMC-X15,磁极数10n,适用于车床和立式机床上符合研磨盘的圆形工件加工时进行固定。产品型号有:RMC-X15、RMC-X20、RMC-X30、RMC-X40。
圆形永磁吸盘RMC-X系列的特点:

这款吸盘适合在车床和立式复合磨床上固定吸引环状工件。
星极结构,产生强磁力对环形工件特别有效,例如轴承等。
因为它是永磁型,不需要用电,安装完成后无需担心布线。
这款吸盘也可以用时湿作业。
“RMC-X-B”类型配备了磁力调节功能。(开/关机操作角度约为630°和磁力是根据手柄的旋转角度调整)
圆形永磁吸盘RMC-X系列产品型号


圆形永磁吸盘RMC-X系列产品尺寸


圆形磁性吸盘,强力磁性吸盘,永磁磁性吸盘
订购:圆形永磁吸盘RMC-X15









1960544536 